芯城品牌采购网 > 品牌资讯 > 全部资讯

据南京广播电视台11月8日报道,南京华天存储及射频类集成电路封测产业化项目已经部分竣工。浦口经济开发区重点项目推进办公室工作人员吴磊透露称,这个项目整体竣工之后,预计将形成14亿的产值。报道显示,南京华天存储及射频类集成电路封测产业化项目总投资15亿元,涉及购置设备约1780台/套,新建1条存储及射频类集成电路封测生产线,计划2024年完工。随着它的落户,有望带动当地快速集聚280多家上下游产业,

芯城品牌采购网

10408

据北京日报11月8日报道,日前,位于中关村顺义园的第三代半导体产业园正式投入运行。该产业园占地7.4万平方米,将以新能源汽车、5G通讯、能源互联网等重大应用需求为牵引,积极突破核心技术,实现第三代半导体技术与产业自主可控,形成第三代半导体产业集聚区。该园区运营负责人朱毅峰表示,1、2、3号楼主要定位芯片设计、工艺设计、孵化服务等办公型企业以及食堂、会议展览等园区配套服务;4、5、6号楼主要定位工艺

芯城品牌采购网

9491

全志A64和RK3288有哪些不同-芯城品牌采购网

全志A64是一款64位的四核处理器,主要针对平板电脑/盒子/笔记本等产品,这款64位开发板拥有2GB内存,16GB存储,支持HDMI1.4,USB2.0,2.4GHz/5GHzWiFi,支持AndroidL系统。瑞芯微RK3288这款芯片也是一个四核ARMCortex-A17内核芯片、支持最新超强Mali-T76x系列GPU的芯片以及4Kx2K硬解H.265的芯片,RK3288主要应用于移动互联网

芯城品牌采购网

8818

据日经中文网报道,日本东京工业大学及AOIElectronics等研究团队开发出了连接功能不同的多个半导体芯片、使其像一个芯片一样工作的关键技术。该技术可以提高芯片的集成密度和电气特性,改善成品率。报道指出,过去,芯粒之间的连接大多使用被称为“中介层(Interposer)”的中间基板。中介层的主流是硅基板,但这种基板在电气特性、定位精度、成本等方面存在问题。而此次的技术优势在于能以最小限度的元素

芯城品牌采购网

10708

据成都高新区消息,11月6日,时值第五届中国国际进口博览会举办期间,成都高新区在上海举办“共话芯路新芯向蓉“成都集成电路产业挑战与机遇专家恳谈会,邀请在沪知名集成电路企业代表商议集成电路产业未来发展趋势。近年来,成都围绕集成电路、新型显示等14个先进制造业实施产业“建圈强链”行动,电子信息产业率先突破万亿。2021年10月,中共中央、国务院印发《成渝地区双城经济圈建设规划纲要》。同时,又有一带一路

芯城品牌采购网

10319

全志A33的用途_全志A33性能参数介绍-芯城品牌采购网

全志A33是一款处理器,采用四核CortexTM-A7架构,搭载Mali400MP2图形处理单元,支持1080P高清视频处理及播放,最大支持1280×800屏幕,支持500万像素摄像头,支持USB3.0接口。  全志A33基本参数  全志A33四核是目前最具性价比的超低功耗四核平板处理器,基于ARMCortex-A7四核CPU架构以及Mali400MP2GPU架构,完美支持多格式1080P@60f

芯城品牌采购网

8653

MOS管的三个级究竟怎么判定?-芯城品牌采购网

相信很多工程师在使用电子测量仪器的时候大家都了解MOS管,下面一起看看MOS管究竟是什么。1.MOS的三个极怎么判定?MOS管符号上的三个脚,辨认要抓住关键地方:G极,不用说比较好认。S极,不论是P沟道还是N沟道,两根线相交的就是。D极,不论是P沟道还是N沟道,是单独引线的那边。2.是N沟道还是P沟道?三个脚的极性判断完后,接下就该判断是P沟道还是N沟道了:当然也可以先判断沟道类型,再判断三个脚极

芯城品牌采购网

11229

运放芯片该如何选择电阻和电阻对放大电路的影响-芯城品牌采购网

如下图:如果我们把运放芯片当作理想的,那么放大电路的增益就是两个电阻的比值,如果要让增益等于2,那么R1和R2分别是2K,1K能达到目的,20K,10K也能达到目的,200K,100K也能达到目的,2Ω,1Ω看着也能达到目的,那么这些阻值都是可以的吗?电阻大小影响什么?这个问题以前也没有深究过,虽然大抵知道一些影响因素,估计也是一些片面的因素,正好借这个机会专门查一查下面就是查到的一些内容。电阻的

芯城品牌采购网

11308

紧俏的血氧仪内部芯片和原理方案-芯城品牌采购网

目前血氧仪暴涨的需求,主要是政策调整后,人群感冒发烧增多,确诊增多,有基础疾病的老年人等群体暴露其中更加危险,官方鼓励血氧仪作为监控预防重症的设备。加上血氧知识的普及,媒体的宣传,如多位专家建议家庭、个人准备指夹式血氧仪等设备,及时掌握自己和家人的身体情况。因此对于有家有老人、小孩,或者本身抵抗力差的人群,作为日常监测还是比较实用,一旦出现低血氧可以及时就医。而对于没有严重基础疾病的普通人群来说,

芯城品牌采购网

9683

让仪器成为设计时的得力助手-芯城品牌采购网

工程师通过仪器能够查看和了解不同电子、机械部分或整个系统内的情况。这些设备通过获取、分析和显示数据,让工程师可以监视和控制机械并进行所有必要的更正。在测试或原型制作过程中,仪器可帮助改进电路,让设计更新颖、更出色。由于需要具有丰富功能和高可用性的高性能仪器来满足各种应用面临的设计挑战,我们将会介绍这些仪器为满足客户需求而需要具备的特性,然后研究仪表放大器这个关键设计组件的重要属性。仪器不同,要求不

芯城品牌采购网

8117

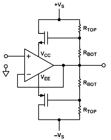
OPAMP运算放大器芯片参数的简易测量-芯城品牌采购网

OPAMP运算放大器芯片是具备差分输入和单端输入的极低增益放大器。常用作低精度的模拟电路之中,因此必须对其性能展开精确测量。但在开环测定之中,开环电压可低达107或更低,并且拾音器、杂散电流或Seebeck(热电偶)效应会在放大器输入端造成非常大的电压,因此误差是难以避免的。测量过程可大大简化,通过采用一个伺服回路,被迫放大器的输入为零,容许被测放大器测定自己的误差。图1表明了一个多功能的电路,透

芯城品牌采购网

11925

开关电源中的局部放电-芯城品牌采购网

一、局部放电现象局部放电(partialdischarge,简称PD)现象,通常主要指的是高压电气设备绝缘层在足够强的电场作用下局部范围内发生的放电,某个区域的电场强度一旦达到其介质击穿场强时,该区域就会出现放电现象。这种放电以仅造成导体间的绝缘局部短(路桥)接而不形成导电通道为限。每一次局部放电对绝缘介质都会有一些影响,轻微的局部放电对电力设备绝缘的影响较小,绝缘强度的下降较慢;而强烈的局部放电

芯城品牌采购网

8978

仿真看世界之650V混合SiC单管的开关特性-芯城品牌采购网

IGBT混搭SiCSBD续流二极管,在硬换流的场合,至少有两个主要优势:●没有Si二极管的反向恢复损耗Erec●降低30%以上IGBT的开通损耗Eon因此,在中小功率光伏与UPS等领域,IGBT混搭SiCSBD续流二极管具有较高性价比。此次,我们将利用英飞凌强大且丰富的器件SPICE模型,同样在Simetirx的仿真环境里,测试不同类型的续流二极管,对IGBT开通特性及Eon的影响。特别提醒仿真无

芯城品牌采购网

10182

常规运算放大器的自举电路设计-芯城品牌采购网

当现成的运算放大器(opamp)不能提供特定应用所需的信号摆幅范围时,工程师面临两种选择:使用高压运算放大器或设计分立解决方案,不过这两种选择的成本可能都很高。对许多应用来说,第三种选择——自举——可能是比较廉价的替代方案。除了动态性能要求极为苛刻的应用,自举电源电路的设计是相当简单的。自举简介常规运算放大器要求其输入电压在其电源轨范围内。如果输入信号可能超过电源轨,可以通过电阻衰减过大输入,使这

芯城品牌采购网

9871

采用MSP430FG4616单片机与模数转换器实现心电图机系统的设计-芯城品牌采购网

十二导联同步心电图机,广泛应用于医院、疾病防控中心等卫生医疗保健机构,十二导联同步心电图机的厂家很多,应用广泛,各种产品之间的差别也比较大。心电图检查技术在心血管病的医疗防治和科研中具有独特的作用,目前在医疗中广泛使用的是单导联或十二导联非同步心电图机,在少数较大医院中使用的十二导联同步检查心电图机均为国外进口或国外产品在国内组装,目前尚无国产的十二导联同步检查的心电图机。根据目前的微电子、单片机

芯城品牌采购网

10102

据日经中文网近日消息,日本东洋炭素(ToyoTanso)将增产用于半导体制造设备的碳纤维零部件,向位于香川县的工厂投入约70亿日元,在2025年之前把产能提高至现在的1.5倍。东洋炭素认为,在5G基站和纯电动汽车(EV)等领域,半导体需求在中长期有望增长。其提出的目标是,使半导体相关零部件营业收入到2026财年增至2021财年近2倍的逾200亿日元。东洋炭素执行董事喜久秀树表示,半导体需求具有轻微

芯城品牌采购网

9975

11月2日,深圳市重大项目、深圳市重点推广园区、坪山区半导体产业园——多彩硅谷迎来重大进展,该产业园主体结构已全部封顶,预计建成后产值将超过200亿元,贡献税收超过10亿元。资料显示,多彩硅谷为深圳市多彩实业集团旗下产业园,总投资超过30亿元,涵盖“孵化器-加速器-规上企业集群发展〞的全周期产业服务,致力于打造以重点院校为依托、以半导体产业与医工交叉产业协同创新为核心的产业生态园区。据悉,该园区与

芯城品牌采购网

10695

蓝牙音箱中自恢复保险丝的过流保护方案介绍-芯城品牌采购网

应用自恢复保险丝蓝牙音箱过流保护,与音箱同样受到工程师的欢迎。因可自动恢复的过流保护特点是自恢复保险丝的优势。免于维护、低成本是其它过流保护电路不能替代自恢复保险丝的根本原因。深受人们喜爱的蓝牙音箱,是锂离子电池供电,只要给锂离子电池充电即可长期反复使用,但锂离子电池很容易出现因过充、过放电而损坏,还会在遇到短路、反接情况出现时有爆炸的安全隐患问题,这些问题多在生产、安装过程中出现,为此必须要

芯城品牌采购网

10031

贴片电阻的选购要注意事项-芯城品牌采购网

表面组装技术(SMT)的应用已十分普遍,采用SMT组装的电子产品的比例已超过90%。我国从八十年代起开始应入SMT技术。随着小型SMT生产设备的开发,SMT的应用范围在进一步扩大,航空、航天、仪器仪表、机床等领域也在采用SMT生产各种批量不大的电子产品或部件。近年来,除了电子产品开发人员用贴片式器件开发新产品外,维修人员也开始大量地维修SMT技术组装的电子产品。目前贴片电阻的型号并不统一,由各生产

芯城品牌采购网

9740

10月31日,智慧城市与文旅夜游灯光投资运营商深圳市名家汇科技股份有限公司(以下简称“名家汇”)发布公告称,为推进公司进军半导体行业的发展战略,为公司获得半导体产业等相关领域的优质企业并购机会,降低公司收购半导体行业优质企业的并购整合风险,公司拟自筹资金不超过1亿元与建信天然投资管理有限公司(以下简称“建信天然”)及其他社会投资方共同合作设立半导体产业并购基金,并授权公司管理层具体办理包括但不限于

芯城品牌采购网

10461

据“重庆吉芯科技有限公司”消息,10月10日,重庆吉芯科技有限公司(以下简称“吉芯科技”)与重庆共享工业投资有限公司在沙坪坝区机关大楼会议室,举行吉芯科技高性能数据转换器集成电路研发及产业化基地扩能项目签约仪式。消息指出,此次基地扩能项目签约的落地,意味着吉芯科技的产业化升级迈出了新步伐,通过基地扩能建设,将会形成国内最大的高性能数据转换器测试生产平台,满足国家高端核心芯片的自主可控。吉芯科技表示

芯城品牌采购网

10471

据中微创芯科技消息,青岛中微创芯电子有限公司(以下简称“青岛中微创芯”)负责的高端智能功率模块(IPM)制造及功率芯片研发项目于9月26日正式动土施工。消息心事,本项目位于青岛中德生态园和自贸区西侧,团结路以南和德国倍世公司以东区域,占地面积28667平方米,约43亩,地理位置优越交通便利,四通八达。本项目分五年三期建设,本次动土施工的为项目一期。一期总建筑面积17687.41平方米,主要完成生产

芯城品牌采购网

10571

CPU中的控制器详解-芯城品牌采购网

运算器只能完成运算,而控制器用于控制着整个CPU的工作。图11、指令控制器指令控制器控制器中相当重要的部分,它要完成取指令、分析指令等操作,然后交给执行单元(ALU或FPU)来执行,同时还要形成下一条指令的地址。为了说明这个问题,这里转载一个指令执行示意图。图2从上图可以看到,由CS:IP构成的寄存器总是给出当前要执行的指令地址,并在当前指令尚未执行完成的时候,给出下一条将要执行的指令地址。CS

芯城品牌采购网

10666

基于射频识别读写器芯片实现非接触式IC识别器的设计-芯城品牌采购网

利用射频识别技术(RadioFrequncyIdentification)开发的非接触式IC识别器,与传统的接触式IC卡、磁卡相比较,在系统寿命、防监听、防解密等性能上具有很大的优势。本文介绍利用MCUP89LPC932、MFRC632、Mifare卡等构建的非接触式专用IC读写器,充分利用了MFRC632的射频识别读写器芯片的功能。所使用的器件大部分都是PHILPS公司的器件,具有典型性和一定的

芯城品牌采购网

10742

详尽分析开关电源电路的各种损耗-芯城品牌采购网

输出部分损耗1、脉冲电流造成的共模电感T的内阻损耗加大适当设计共模电感,包括线径和匝数2、放电电阻上的损耗在符合安规的前提下加大放电电阻的组织3、热敏电阻上的损耗在符合其他指标的前提下减小热敏电阻的阻值启动损耗普通的启动方法,开关电源启动后启动电阻回路未切断,此损耗持续存在。改善方法:恒流启动方式启动,启动完成后关闭启动电路降低损耗。与开关电源工作相关的损耗钳位电路损耗有放电电阻存在,mos开关管

芯城品牌采购网

10953

基于CX88168、CX20463和CX20437芯片实现高速MODEM的设计-芯城品牌采购网

随着因特网的普及和发展,上网的用户数正不断增加,各种各样的上网手段层出不穷。但对于广大网民来说,采用MODEM进行数据传输却是一种最常用的接入方式。面对这样一个巨大市场,世界各大芯片制造商相继推出了自己的MODEM芯片组,并不断在简化硬件设计和提高MODEM的传输速率上下功夫。ROCKWELL公司(由CONEXANT公司生产)推出了一款全新的MODEM芯片组--SmartSCM/56S,它能支持新

芯城品牌采购网

9352

基于协议转换芯片PCI9054与FPGA实现PCI通信接口的设计-芯城品牌采购网

1引言PCI,外设组件互连标准(PeripheralComponentInterconnection)是一种由Intel公司1991年推出的用于定义局部总线的标准,自规范推出,得到网络通信,数据采集处理,工业控制等多行业的广泛应用,并出现PCI-E。CPCI,PXI等多个扩展改良版本。PCI总线支持其即插即用,中断共享,高速数据传输等功能,有着广阔的市场前景。本文介绍了目前使用美国PLX公司生产的

芯城品牌采购网

10771

电子元器件封装技术讲解-芯城品牌采购网

A、封装内涵封装——Package,使用要求的材料,将设计电路按照特定的输入输出端进行安装、连接、固定、灌封、标识的工艺技术。B、封装作用a)保护:保障电路工作环境与外界隔离,具有防潮、防尘;b)支撑:引出端及壳体在组装和焊接过程保持距离和缓冲应力作用;c)散热:电路工作时的热量施放;d)电绝缘:保障不与其他元件或电路单元的电气干涉;e)过渡:电路物理尺寸的转换;a)晶圆裸芯片b)集成电路芯片c)

芯城品牌采购网

11787

用于汽车负载应用的上桥SmartFET驱动器-芯城品牌采购网

上桥SmartFET因其易于使用和高水平的保护而越来越受欢迎。与标准MOSFET一样,SmartFET非常适合各种汽车应用。它们的区别在于内置在上桥SmartFET器件中的控制电路。控制电路持续监控输出电流和器件温度,同时针对电压瞬变和其他意外应用条件提供被动保护。这种主动和被动保护功能的结合确保了稳定可靠的应用方案,延长了器件本身及其所保护的应用负载的使用寿命。安森美(onsemi)现在提供从4

芯城品牌采购网

10155

SK海力士引领High-k/MetalGate工艺变革-芯城品牌采购网

由于传统微缩(scaling)技术系统的限制,DRAM的性能被要求不断提高,而HKMG(High-k/MetalGate)则成为突破这一困局的解决方案。SK海力士通过采用该新技术,并将其应用于全新的1anmLPDDR5XDRAM,即便在低功率设置下也实现了晶体管性能的显著提高。本文针对HKMG及其使用益处进行探讨。厚度挑战:需要全新的解决方案组成DRAM的晶体管(Transistor)包括存储数据

芯城品牌采购网

12360

可变合金电阻器与普通合金电阻器之间的差异。与普通合金电阻器相比,可变合金电阻器具有以下特点。根据这些特性,可在电路板中识别可变合金电阻器:差异1。可变合金电阻器(绕线结构)在大功率场合体积大,活动板可左右滑动调整电阻值。区别2:可变合金电阻的体积比普通合金电阻大。同时,电路中的可变合金电阻器较少。它可以很容易地在电路板上找到。差异3。带小塑料外壳的可变合金电阻器体积较小,呈圆形结构。如图2.2(a

芯城品牌采购网

9580

一套可靠的电梯控制系统解决方案-芯城品牌采购网

在现代城市里,高楼耸立、大厦云集,电梯作为来往楼层之间的主要搭乘工具,其重要性不言而喻。作为智能建筑楼宇自动化子系统的核心组成部分,电梯的稳定运行离不开智能的控制系统。今天为大家带来的就是一套可靠的电梯控制系统解决方案,该方案由主控制器、外部控制和内部控制板三个部分组成,与瑞萨AC伺服解决方案和电梯控制板集成,就可提供完善的电梯控制系统。系统框图在主控制模块,该方案采用RA6M4MCU,并集成了

芯城品牌采购网

9423

保护元件厂聚鼎(6224-TW)表示,旗下子公司昆山聚达电子与江苏晟芯微电子签订合资合同,将成立苏州聚达晟芯微电子,主要生产过电压保护元件,新公司资本额为3500万人民币(约新台币1.75亿元),昆山聚达电子持股71.9%,江苏晟芯微电子持股28.1%。聚鼎从去年第3季开始跨入过电压保护元件领域,希望结合本身在过电流保护元件的竞争优势,提供客户在过电流及过电压保护元件的整合性服务。聚鼎今年前11月

芯城品牌采购网

9936

国巨1812陶瓷通用贴片电容的参数和应用领域解读-芯城品牌采购网

国巨1812(NPO温度补偿电容陶瓷通用贴片电容特性:不具有磁性,高可靠性,送检IEC60086认证已通过;公司对于环境保护的考虑还通过RoHShe和无卤素的标准检车。特征:一级类能在高温环境85℃中运行卷盘方式包装镍金属端口接入符合RoHS标准无卤兼容应用领域伺服与电动机控制可编程逻辑控制器自动化设备安全设备智能电表智能居家远程电源管理变频器电源供应器无线基地台无线电话数据机/网路交换器/路由

芯城品牌采购网

10181

泰科电子TE收购LinxTechnologies-芯城品牌采购网

连接和传感器领域的世界领导者TEConnectivity(TE)昨日宣布收购物联网领域的领先射频元件供应商LinxTechnologies。此次战略收购将进一步加强TE在物联网领域的产品组合和竞争力。对LinxTechnologies的收购扩充了TE广泛的连接产品组合,特别是在面向物联网(IoT)的天线和射频连接器方面。随着TE不断提升其在物联网市场的产品上市能力,此次收购有助于拓展TE的供应链范

芯城品牌采购网

11476

PID控制方法理解常用的控制策略-PID-芯城品牌采购网

如果说智能车的视觉处理是眼睛,PID就是双手可以去帮你完成智能车的运动控制。没有一个好的PID,就可能会产生手眼打架的情形。比如说,你去看了一个美食博主的美食的制作过程,眼睛说,我会了,手说,你快拉到吧。所以要想手眼协调,智能车控制得当,好的视觉处理算法和好的PID调试都密不可分。不然也不会有专门的PID调试的岗位了。废话不多说,下面是我整理的一些资料。方向控制在软件系统中的位置方向控制系统宏观概

芯城品牌采购网

9152

了解为高分辨率、高帧率CMOS图像传感器设计供电方案的挑战-芯城品牌采购网

摘要了解为当今高分辨率高帧率CMOS图像传感器设计供电方案的关键挑战,是设计一个满足每位设计工程师要求的含LDO(DC-DC,PMIC)的优化的电源系统方案的关键要素。电源系统设计人员需要知道不同应用中的电源方案有何不同,比方说,一个800万像素(MP)的相机与一个5000万像素的相机的电源方案有何不同,或帧率的不同(30fps、60fps、120fps)如何改变他们的电源设计,多大频率需要高电

芯城品牌采购网

10488